网站首页
公司介绍
新闻资讯
产品中心
防雷产品目录
电源防雷器
信号防雷器
监控防雷器
天馈防雷器
防雷元件目录
陶瓷气体放电管
固体半导体放电管
玻璃防雷管
瞬态电压抑制管TVS
ESD靜電二極管
电源防雷模块
PTC自恢复保险
压敏电阻
终端负载/衰减器
终端负载器
终端负载片
衰减器
衰减片
韩国PRIME防雷系列
单相电源surge-box
三相电源surge-box
数据线路surge-box
同轴线路surge-box
高压脉冲ESE避雷针
接地系统
噪声消除变压器
临时目录
防雷方案
防雷知识
联系我们
产品分类
防雷产品目录
电源防雷器
防雷箱
交流电源防雷器
直流电源防雷器
电源防雷插座
充电桩防雷器
光伏电源防雷器
LED路灯浪涌保护器
信号防雷器
音频信号防雷器
网络信号防雷器
视频信号防雷器
控制信号防雷器
监控防雷器
三合一视频防雷器
三合一网络防雷器
二合一视频防雷器
二合一网络防雷器
天馈防雷器
SA系列天馈防雷器
SB系列天馈防雷器
SF系列天馈防雷器
SM系列天馈防雷器
SN系列天馈防雷器
SP系列天馈防雷器
ST系列天馈防雷器
防雷元件目录
陶瓷气体放电管
陶瓷放电二极管
陶瓷放电三极管
陶瓷放电开关管
贴片陶瓷放电二级管
贴片陶瓷放电三级管
陶瓷大通流气体放电管
固体半导体放电管
SMT 贴片
DIP 插件
玻璃防雷管
TED485系列
GS系列
瞬态电压抑制管TVS
贴片ESD防护器(TVS组合管)
同轴引线TVS管
ESD靜電二極管
SO-08封装
SOT-23封装
SOT-26/143/353/363/553
SOD-323/523/882/923
DFN-1006/1006BP/1006DN
DSON-10封裝
DFN2510P10封裝
电源防雷模块
陶瓷电源防雷模块
PTC自恢复保险
DIP 插件
SMD 贴片
H系列PTC
压敏电阻
DIP 插件
SMD 贴片
终端负载/衰减器
终端负载器
终端负载片
衰减器
衰减片
韩国PRIME防雷系列
单相电源surge-box
三相电源surge-box
数据线路surge-box
同轴线路surge-box
高压脉冲ESE避雷针
接地系统
噪声消除变压器
临时目录
产品中心
首页
>
产品中心
>
PRIME三相计数型
详细介绍
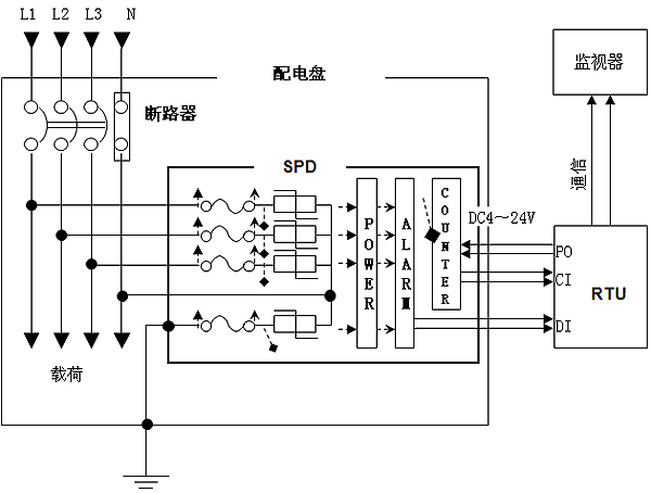
计数型三相交流SurgeBox C系列(4线+接地:Y连接/3线+接地:三角连接)
联系我们
全国统一服务电话:
0755-22310076
24小时热线: 0755-22310076 22310075 22310079
邮箱:shenzhen@sbdz.com
网址:www.sbdz.com
公司总部:深圳市福田区上步北路(体育馆东)城市主场B座1601
关于我们
公司简介
企业文化
荣誉资质
员工风采
产品中心
防雷产品目录
防雷元件目录
终端负载/衰减器
韩国PRIME防雷系列
临时目录
防雷方案
通讯类产品
消费电子产品
汽车电子产品
安防类产品
智能家居家电
工业类品
友情链接:
防雷器
社保电子原网站
高效过滤器
EBM电机
三边封制袋机
版权所有©1995-20020深圳市社保电子技术有限公司。保留所有权利 |
Power by DedeCms
粤ICP备05003742号
QQ在线咨询
售前咨询热线
0755-22310076
售后咨询热线
0755-22310076