产品中心
首页 > 产品中心 > DO-15封装P6KE;SA;SAC系列
详细介绍
瞬态电压抑制管(TVS) -- 同轴引线TVS管
DO-15封装P6KE;SA;SAC系列
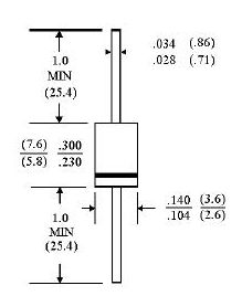
封装:DO-15
型号:P6KE;SA;SAC系列
最大整流电流:1.4-54.3A
最大反向电压:6.8-440V
 
产品简介:
        TVS是普遍使用的一种新型高效电路保护器件,它具有极快的响应时间(亚纳秒级)和相当高的浪涌吸收能力。当它的两端经受瞬间的高能量冲击时,TVS能以极高的速度把两端间的阻抗值由高阻抗变为低阻抗,以吸收一个瞬间大电流,从而把它的两端电压箝制在一个预定的数值上,从而保护后面的电路元件不受瞬态高压尖峰脉冲的冲击。正因为如此,TVS 可用于保护设备或电路免受静电、电感性负载切换时产生的瞬变电压[4],以及感应雷所产生的过电压。图1所示为TVS 的符号及伏安特性曲线。
        TVS 管和稳压管一样,也是反向应用的。其中VR 称为最大转折电压,是反向击穿之前的临界电压。VB 是击穿电压,其对应的反向电流IT 一般取值为1 mA。VC 是最大箝位电压,当TVS 管中流过的峰值电流为IPP 的大电流时,管子两端电压就不再上升了。因此TVS 管能够始终把被保护的器件或设备的端口电压限制在VB~VC 的有效区内。与稳压管不同的是,IPP 的数值可达数百安培,而箝位响应时间仅为1×10-12s。TVS 的最大允许脉冲功率为PM=VCIPP,且在给定最大钳位电压下,功耗PM 越大,其浪涌电流的承受能力越大。

        图2 是在双踪示波器上观察到的TVS 管在承受大电流冲击时的电流及电压波形。图中,曲线1 是TVS 管中的电流波形,可以看出:其流过TVS 管的电流由1mA 突然上升到峰值后,然后按指数规律下降。曲线2 是TVS 管两端的电压波形,它表示TVS 中的电流突然上升时,TVS 两端电压也随之上升。在浪涌电压的作用下,TVS 两极间的电压由额定反向关断电压VRWM 上升到击穿电压VB 而被击穿。随着击穿电流的出现,流过TVS 的电流将达到峰值脉冲电流IPP,同时其两端的电压被箝位到预定的最大箝位电压VC 以下。其后,随着脉冲电流按指数衰减,该过程中,TVS 两极间的电压也不断下降,最后恢复到初态,这就是TVS 抑制可能出现的浪涌脉冲功率,保护电子元器件的过程。事实上,当TVS 两极受到反向高能量冲击时,它能以10-12s 级的速度,将其两极间的阻抗由高变低,以吸收高达数千瓦的浪涌功率,使两极间的电位箝位于预定值,从而有效地保护电子设备中的元器件免受ESD 的损害。

 
产品尺寸图:
 
产品参数:
 
联系我们
全国统一服务电话: 0755-22310076
24小时热线: 0755-22310076 22310075 22310079
邮箱:shenzhen@sbdz.com
网址:www.sbdz.com
公司总部:深圳市福田区上步北路(体育馆东)城市主场B座1601
版权所有©1995-20020深圳市社保电子技术有限公司。保留所有权利 | Power by DedeCms粤ICP备05003742号
 
QQ在线咨询
售前咨询热线
0755-22310076
售后咨询热线
0755-22310076